东辉DY-(AP)比值给定PID调节器说明书

 时间:2024-12-05 07:13:52

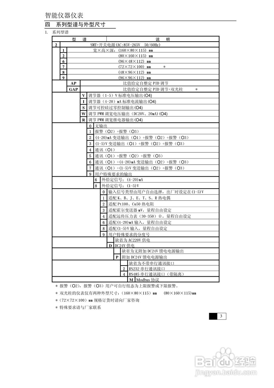
东辉DY-(AP)比值给定PID调节器说明书

东辉DY-(AP)比值给定PID调节器说明书

东辉DY-(AP)比值给定PID调节器说明书

东辉DY-(AP)比值给定PID调节器说明书

东辉DY-(AP)比值给定PID调节器说明书

东辉DY-(AP)比值给定PID调节器说明书

东辉DY-(AP)比值给定PID调节器说明书

东辉DY-(AP)比值给定PID调节器说明书

东辉DY-(AP)比值给定PID调节器说明书

东辉DY-(AP)比值给定PID调节器说明书

东辉DY-(AP)比值给定PID调节器说明书

  • 东辉DY2000-(AY)外给定PID调节器说明书
  • 东辉DY-(AF)带阀位跟踪PID调节器说明书
  • 东辉DY2000-(F)位置比例PID调节器说明书
  • 东辉DY-(C)时间程序PID调节仪表说明书
  • 东辉DY2000-(GJ)锅炉水位单冲量PID调节器说明书
  • 热门搜索
    吉普指南者怎么样 阴道出血怎么回事 怎么清除浏览器缓存 建造师证怎么考 ie浏览器兼容模式怎么设置在哪里 辞职后五险一金怎么处理 腰椎间盘突出怎么治 汽车坐垫怎么安装 家暴怎么办 牙齿疼怎么办能快速不疼