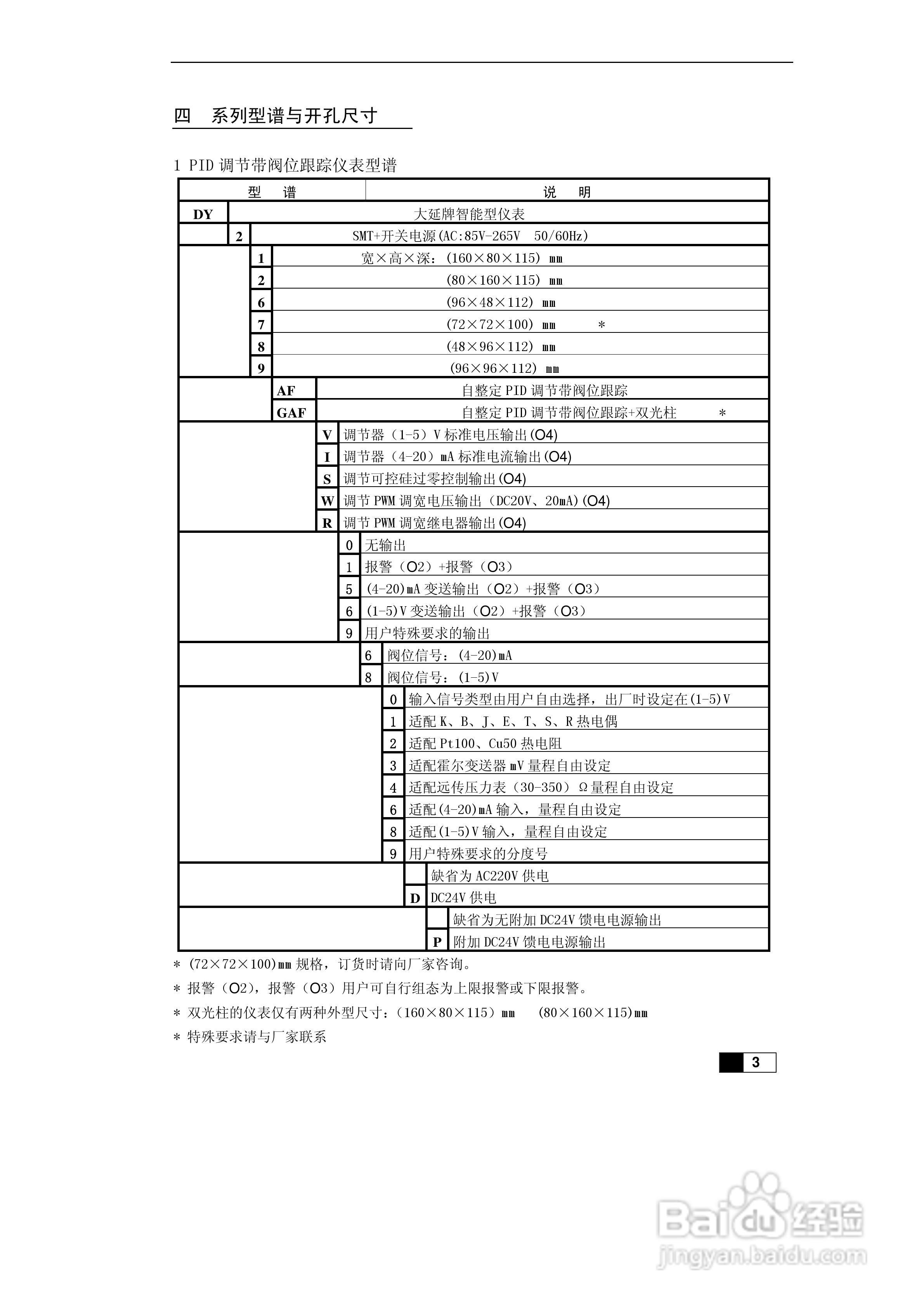
东辉DY-(AF)带阀位跟踪PID调节器说明书

 时间:2026-02-15 19:32:50

东辉DY-(AF)带阀位跟踪PID调节器说明书

东辉DY-(AF)带阀位跟踪PID调节器说明书

东辉DY-(AF)带阀位跟踪PID调节器说明书

东辉DY-(AF)带阀位跟踪PID调节器说明书

东辉DY-(AF)带阀位跟踪PID调节器说明书

东辉DY-(AF)带阀位跟踪PID调节器说明书

东辉DY-(AF)带阀位跟踪PID调节器说明书

东辉DY-(AF)带阀位跟踪PID调节器说明书

东辉DY-(AF)带阀位跟踪PID调节器说明书

东辉DY-(AF)带阀位跟踪PID调节器说明书

东辉DY-(AF)带阀位跟踪PID调节器说明书

  • 东辉DY-(AP)比值给定PID调节器说明书
  • 东辉DY2000-(AY)外给定PID调节器说明书
  • 东辉DY-(A)自整定PID调节仪表说明书
  • 东辉DY-(CA)分时段PID调节仪表说明书
  • 东辉DY2000-(F)位置比例PID调节器说明书
  • 热门搜索
    肾上腺素的作用机制 踌躇的意思 土斤念什么 什么是创意美术 vc是什么意思 自豪的意思 掩耳盗铃的意思 显卡驱动有什么用 什么叫金融危机 意义是什么意思