东辉DY2000-(AY)外给定PID调节器说明书

 时间:2024-12-05 07:10:21

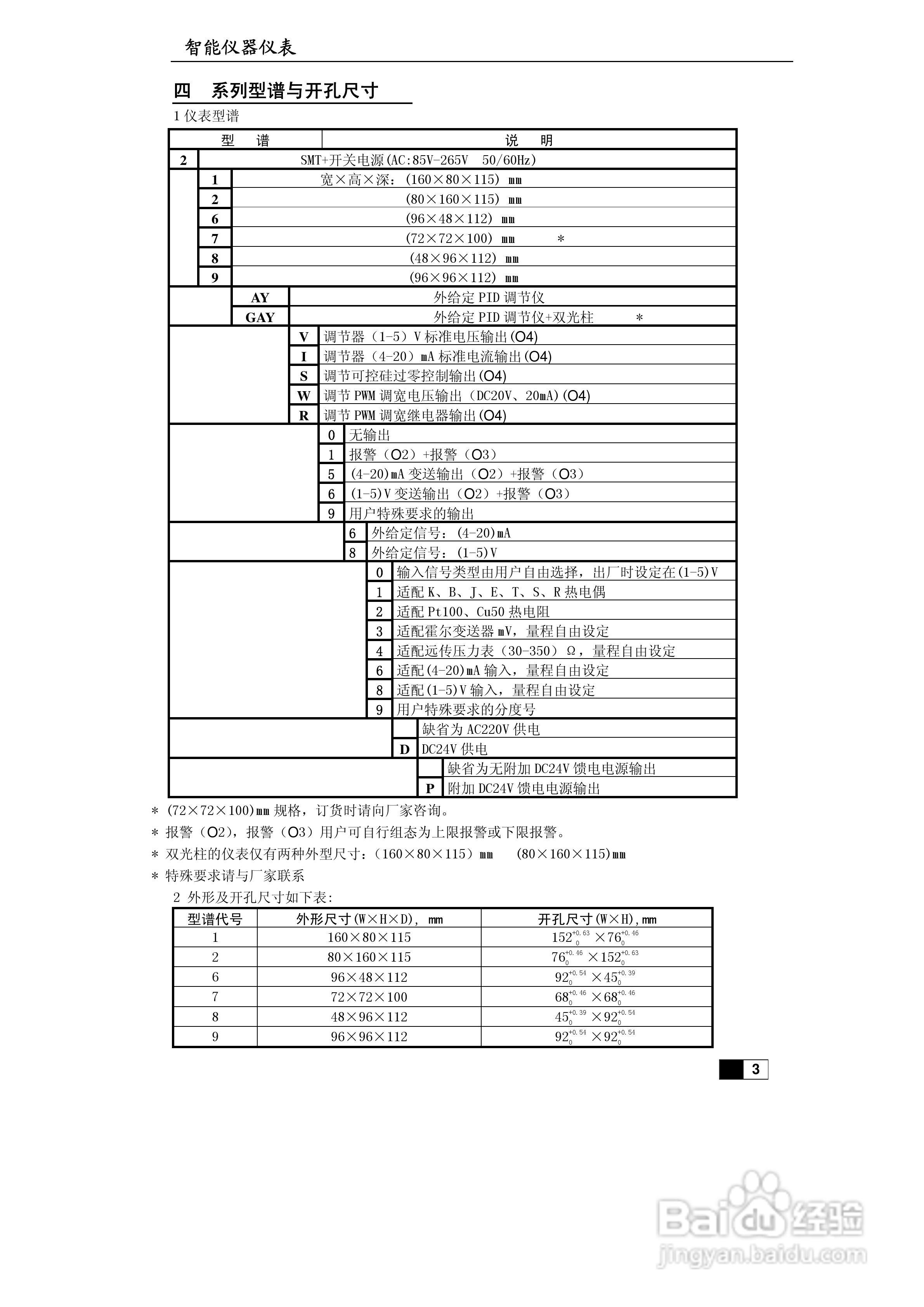
东辉DY2000-(AY)外给定PID调节器说明书

东辉DY2000-(AY)外给定PID调节器说明书

东辉DY2000-(AY)外给定PID调节器说明书

东辉DY2000-(AY)外给定PID调节器说明书

东辉DY2000-(AY)外给定PID调节器说明书

东辉DY2000-(AY)外给定PID调节器说明书

东辉DY2000-(AY)外给定PID调节器说明书

东辉DY2000-(AY)外给定PID调节器说明书

东辉DY2000-(AY)外给定PID调节器说明书

东辉DY2000-(AY)外给定PID调节器说明书

东辉DY2000-(AY)外给定PID调节器说明书

  • 东辉DY-(AP)比值给定PID调节器说明书
  • 东辉DY2000-(AQ)带前馈PID调节器说明书
  • 东辉DY-(AF)带阀位跟踪PID调节器说明书
  • 东辉DY2000-(F)位置比例PID调节器说明书
  • 东辉DY2000-(GJ)锅炉水位单冲量PID调节器说明书
  • 热门搜索
    如何激活win10 如何锻炼腰部肌肉 如何教育幼儿 400电话如何办理 现货黄金如何开户 wps是什么意思 消消乐730关怎么过 同城生活 如何缓解考试压力 西彭生活网最新招聘