华硕 A8N-SLI主板说明书:[5]

 时间:2026-02-16 10:01:07

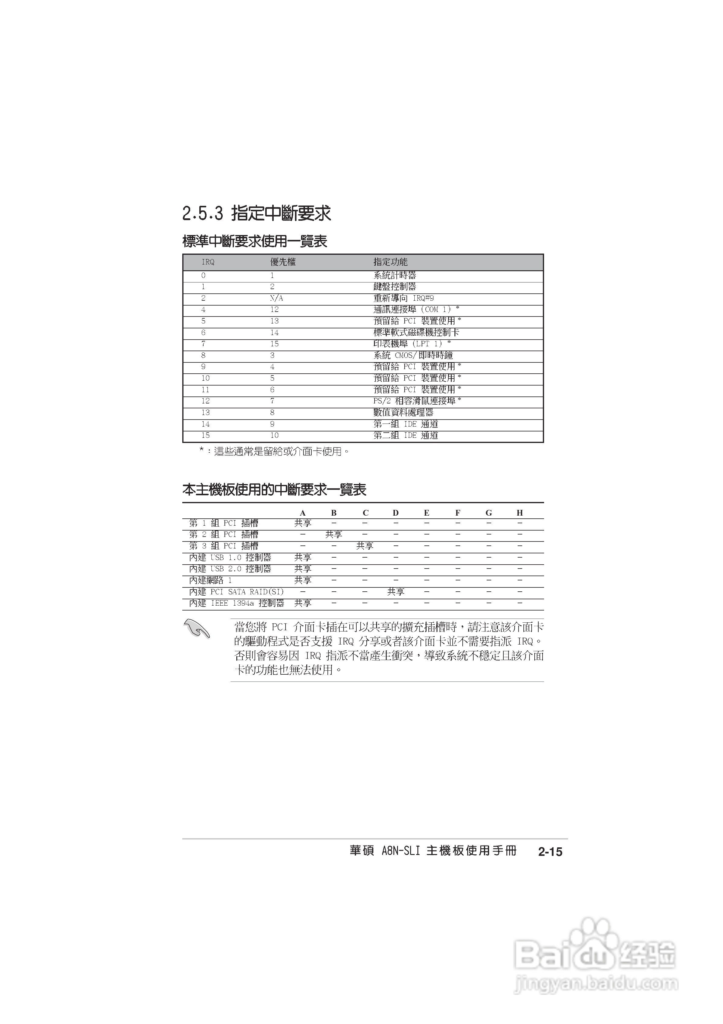
本篇为《华硕 A8N-SLI主板说明书》,主要介绍该产品的使用方法以及常见故障解决方案。


华硕 A8N-SLI主板说明书:[5]

华硕 A8N-SLI主板说明书:[5]

华硕 A8N-SLI主板说明书:[5]

华硕 A8N-SLI主板说明书:[5]

华硕 A8N-SLI主板说明书:[5]

华硕 A8N-SLI主板说明书:[5]

华硕 A8N-SLI主板说明书:[5]

华硕 A8N-SLI主板说明书:[5]

华硕 A8N-SLI主板说明书:[5]

华硕 A8N-SLI主板说明书:[5]

(共篇)上一篇:|下一篇:
  • 华硕 A8N-SLI主板说明书:[4]
  • 华硕 A8N-SLI主板说明书:[16]
  • 华硕 A8N-SLI Deluxe主板说明书:[12]
  • 华硕 A8N-SLI Deluxe主板说明书:[13]
  • 华硕bios设置图解
  • 热门搜索
    thief是什么意思 daily是什么意思 如梦令的意思 奶粉一段二段什么意思 韦编三绝是什么意思 堰塞湖什么意思 空方和多方是什么意思 时不我待的意思 奶瓶什么材质的最好 玩cf用什么鼠标好