东辉DY2000-(AJ)带PID输出流量积算仪说明书

 时间:2026-02-12 11:55:51

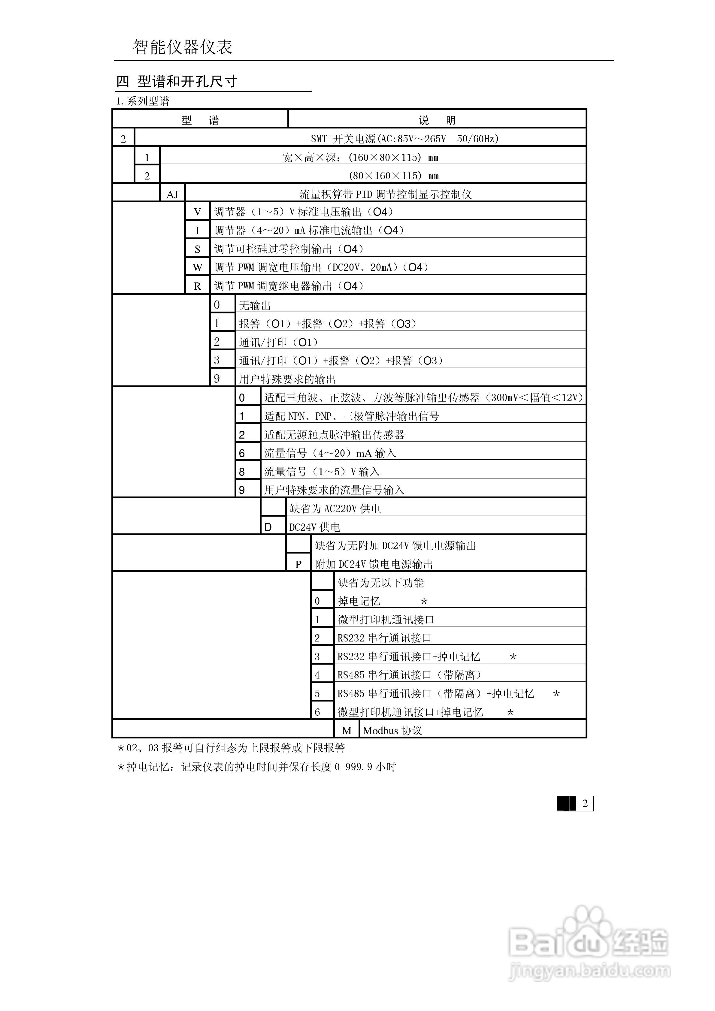
东辉DY2000-(AJ)带PID输出流量积算仪说明书

东辉DY2000-(AJ)带PID输出流量积算仪说明书

东辉DY2000-(AJ)带PID输出流量积算仪说明书

东辉DY2000-(AJ)带PID输出流量积算仪说明书

东辉DY2000-(AJ)带PID输出流量积算仪说明书

东辉DY2000-(AJ)带PID输出流量积算仪说明书

东辉DY2000-(AJ)带PID输出流量积算仪说明书

东辉DY2000-(AJ)带PID输出流量积算仪说明书

东辉DY2000-(AJ)带PID输出流量积算仪说明书

东辉DY2000-(AJ)带PID输出流量积算仪说明书

东辉DY2000-(AJ)带PID输出流量积算仪说明书

  • 东辉DY2000-(AQ)带前馈PID调节器说明书
  • 东辉DY2000-(AY)外给定PID调节器说明书
  • 东辉DY2000-(F)位置比例PID调节器说明书
  • 德欣电子DSN-2000B积算仪说明书:[5]
  • 东辉DY2000-(GLF)锅炉水位三冲量调节器说明书
  • 热门搜索
    crush是什么意思 桀骜不驯什么意思 英语四级成绩什么时候出来 对比度是什么意思 喝酸奶有什么好处 cream是什么意思 熟石灰是什么 chick是什么意思 凸透镜对光有什么作用 bad是什么意思