1、并灯泡在开口三角形l630和n600两端并个200W白炽灯泡,再进行测量,应该可以消除。

2、零序过压保护作用零序过压保护动作的原因是避免变电器中性点因绝缘问题而造成损坏,零序过压保护作为变压器非有效接地的后备保护能很好的保护变压器,即会发生跳闸现象。

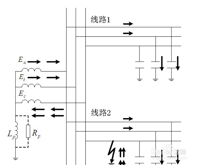
3、继电保护装置零序电压保护指在大电流接地系统发生接地故障后,利用零序电压构成保护接地短路的继电保护装置。

4、反映故障正常情况下,UA+UB+UC的向量和为0,当系统发生单相接地后,UA+UB+UC的向量和不再为0,这个不为0的值变是零序电压,通过检测该电压能够反映系统是否发生单相接地故障。
