阿力知识库
网站首页
美食营养
游戏数码
手工爱好
生活家居
健康养生
运动户外
职场理财
情感交际
母婴教育
时尚美容
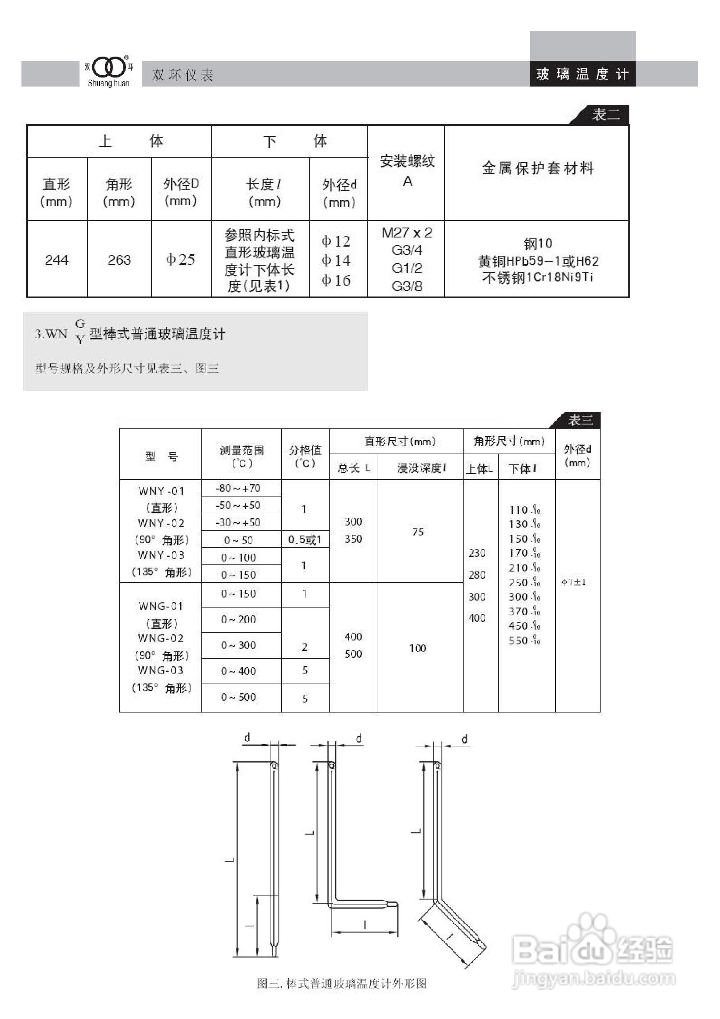
WNG Y内标示温度计说明书
时间:2024-12-03 08:59:40
温度计如何使用
怎样使用温度计呢
怎么使用人体温度计?
温度计怎么看?
如何看干湿温度计
热门搜索
gg是什么意思
莆田系医院是什么意思
观念是什么意思
迷你世界什么时候下架
业障是什么意思
什么是绿茶
hbsab阳性是什么意思
什么天什么地的成语
angry是什么意思
入宅是什么意思
Copyright © 2025
阿力知识库
All Rights Reserved 信息来自网络,所有数据仅供参考,有任何疑问请联系站长