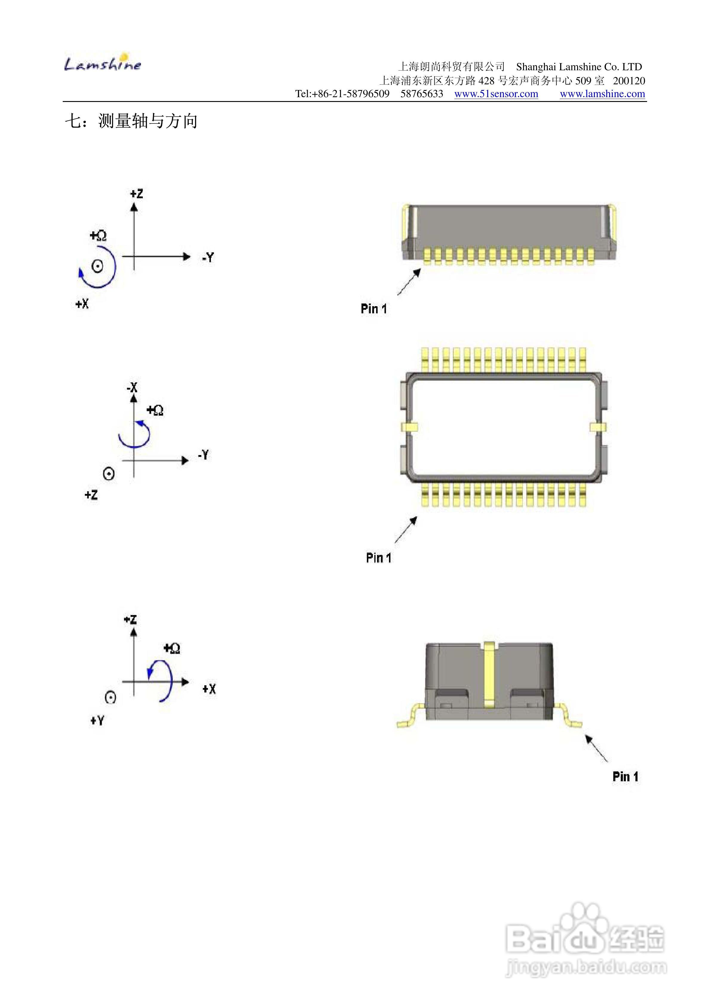
朗尚SCC1300-D4型单轴陀螺仪使用说明书

 时间:2024-10-12 10:14:12

朗尚SCC1300-D4型单轴陀螺仪使用说明书

朗尚SCC1300-D4型单轴陀螺仪使用说明书

朗尚SCC1300-D4型单轴陀螺仪使用说明书

朗尚SCC1300-D4型单轴陀螺仪使用说明书

朗尚SCC1300-D4型单轴陀螺仪使用说明书

  • GP3130R/R3陀螺仪说明书:[6]
  • GP3130R/R3陀螺仪说明书:[7]
  • 刺激战场陀螺仪怎么用
  • 绝地求生陀螺仪如何使用
  • 垂直陀螺仪介绍
  • 热门搜索
    芹菜肉饺子馅的做法 路由器怎么安装 培训总结怎么写 当归煮蛋的做法 生日邀请函怎么写 为什么电脑没声音 口水鸡的正宗做法 囡怎么读音 股票怎么玩 北极熊为什么不吃企鹅